Oksana1991 » Пн авг 05, 2019 7:16 pm
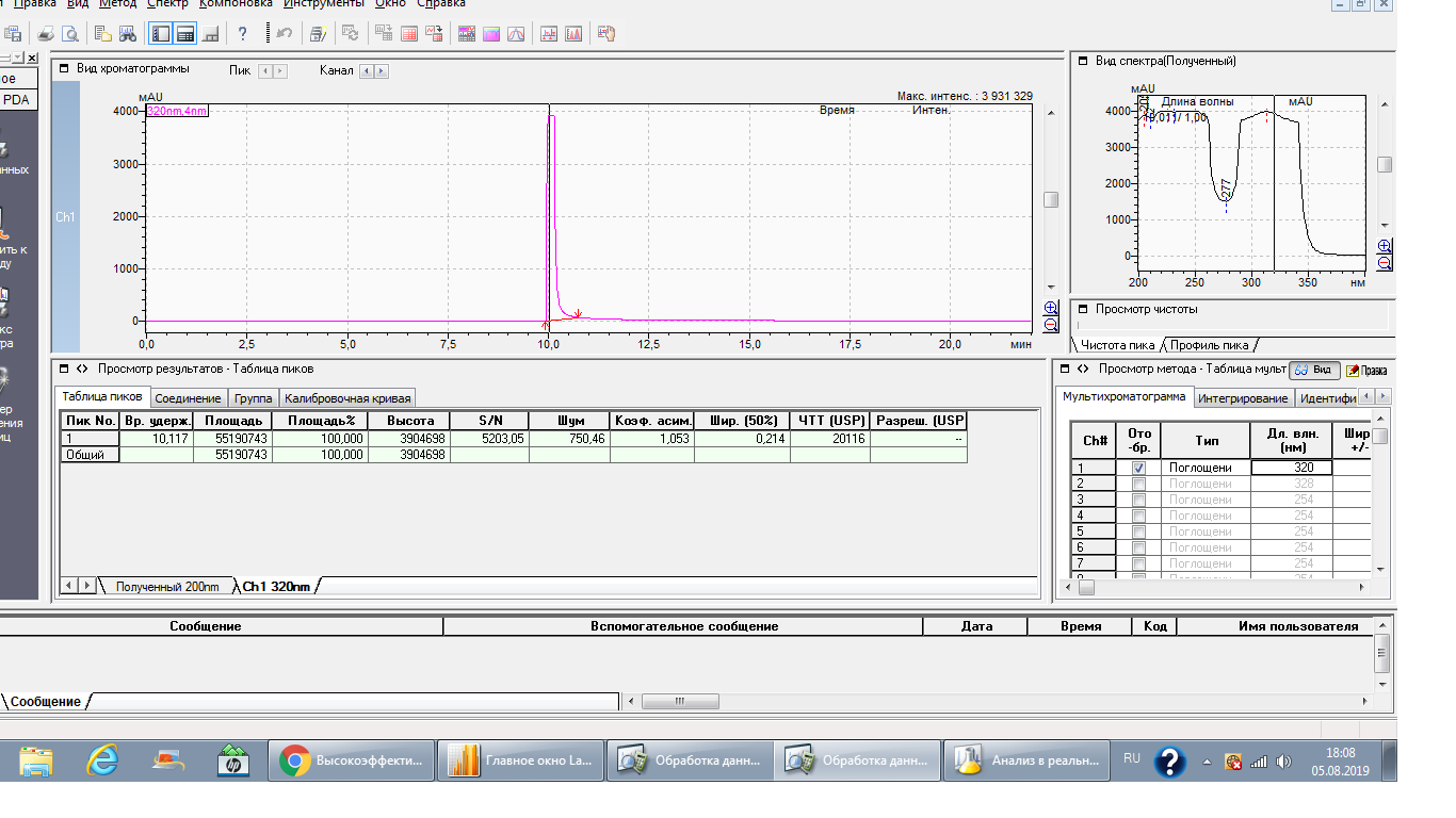
Добрый вечер. Подскажите, пожалуйста, долгое время проводили анализ АФС (труднорастворимой). Легко растворима в ДМСО, Мало растворима в метаноле, практически не растворима в воде. Всегда плохо смывалась с бланка. На промывке стоял метанол. Но в последнее время пик на бланке огромный, никак не можем его убрать. Поставили на промывку ДМСО, меняли колонки (на всех одно и то же). Промывали автосемплер. ПФА=Буфер-фосфат калия, 3,5. ПФБ-ацтонитрил. Прибор - Shimadzu, автосемплер- SIl-20AC. Что можно сделать? (Заранее спасибо)))
- Вложения
-
